Array ( [cat_id] => 43 [cat_name] => 智能配电设备 [unique_id] => zhinengpeidianshebei [parent_id] => 0 [url] => http://www./product/zhinengpeidianshebei ) 户外配电箱-ylg060net永利娱高
电能质量治理 电力能源管理 智能配电设备 机电传动自控 智慧数字电力 品牌战略授权
户外配电箱

产品概述

PXTF(H)系列户外配电箱是一种安装方式为户外明装悬挂式或落地式,主要应用于低压0.4KV及以下的电力系统,适用于交流50~60HZ,一般由负荷隔离开关、塑壳断路器、双电源自动转换开关、微型断路器、漏电断路器、浪涌保护器等主元器件及接触器、热继电器、中间继电器、按钮、指示灯等二次元件配合壳体、导体等核心部分组成,主要作用是根据实际使用需求进行电能分配的电气设备,具有电能分配、线路控制、过载保护、短路保护,以及线路切换等功能,并确保这些电力供应的安全、可靠和高效,根据类别大致分为照明、动力、计量三种,广泛应用于石油、化工、市政、路桥、公建、住宅等配电系统中。

性能特点

保护功能:具备过载保护和短路保护功能,出现系统故障能够及时切断电路,防止电气事故和设备损坏。

操作便利:设计用于线路不频繁转换之用,满足正常操作条件下的需求,便于用户进行电路的开合操作。

安全性能:箱体与箱门之间通过密封处理增加安全防护等级,能够直观显示电路的导通状态,确保操作人员的安全。

机械防护:通常由箱体、箱门、配电盘、支架等结构组成,冷轧钢板或者镀镁铝锌板制成,具有良好的机械强度和防护性能。

模块设计:可以根据不同的使用需求和功能要求,进行模块化设计和定制。结构设计合理,具有特殊的技术性能;

安装维护:标准化生产制造,确保产品的质量和可靠性。便于维护和检修,提高设备的运行效率和使用寿命。

空间环保:适用于多种环境,不受场地限制。设计时考虑了空间利用率和环保因素,占地少,对环境的影响小。

标识清晰:位置固定,配置功能独特,配电箱内部的线路和设备具有清晰的标识,以便于操作和维护人员识别。

方案原理

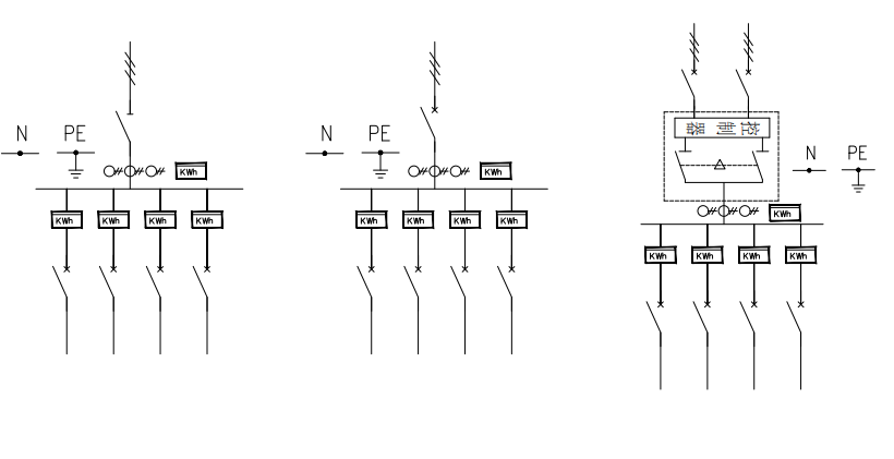
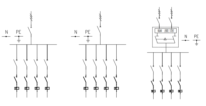
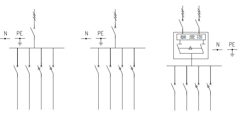
典型电路及柜内主要元件

主要元器件:隔离开关、塑壳断路器、微型断路器、双电源转换开关

主要元器件:隔离开关、塑壳断路器、微型断路器、双电源转换开关、接触器、热继电器

主要元器件:隔离开关、塑壳断路器、微型断路器、双电源转换开关、互感器、计量表

设计依据

该产品符合IEC60439-1:1992《低压成套开关设备和控制设备第一部分:型式试验和部分型式试验成套设备》。

该产品符合GB 7251.1-1997《低压成套开关设备和控制设备第一部分:型式试验和部分型式试验成套设备》。

技术参数

额定工作电压(Ue)

AC380V、AC220V

成套设备的额定电流(Im)

250A~10A

频率(fn)

50Hz

额定绝缘电压(Ui)

400V

额定冲击耐受电压Uimp(kV)

4kV

主母线额定电流(I)

250A~10A

主母线额定短时耐受电流(I)

6kA

电气间隙

≥5.5mm

爬电距离

≥8mm

过电压类别

III类

触电保护类别

I类

户内型/户外型

户外型

防护等级

外壳IP54;(特殊要求可订制)

应用环境

本产品工作场所海拔不超过2000米,环境温度-25℃~+40℃,相对湿度:日平均不大于95%,月平均不大于90%。

本产品运行场所应具备无有害气体、可燃气体、蒸汽等污染,无导电性或者爆炸性尘埃,运行场所应无经常性的剧烈机械振动。

本产品避免长期在潮湿环境中放置,如受潮或者凝露,为避免短路,切忌第一时间通电试验,需在专业工程师指导下采取正确方法措施后进行故障排除。

上述为正常使用环境条件,如果实际使用环境不同于上述正常环境条件,由用户与制造厂协商解决。


型号含义

外观结构

选型参考

 

PXTF-M-W户外配电箱常规尺寸表(mm)    

W

H

D

其他

300

300

400

500

600

700

800

900

1000

180

200

220

250

300

350

¢12

单开门防雨带把手锁

350

400

450

500

550

600

650

700

750

800

订货须知

系统原理图;

系统电压等级;

额定功率;

计量单元;

外壳材质(冷轧钢板/不锈钢板)

颜色(标准RAL7035)

使用环境(户外)

悬挂式安装;

进出线方式;

负载性质;

特殊要求注明;

©2024 版权所有 ylg060net永利娱高