Array ( [cat_id] => 34 [cat_name] => 电能质量治理 [unique_id] => diannengzhiliang [parent_id] => 0 [url] => http://www./product/diannengzhiliang ) 智能电容器-ylg060net永利娱高
电能质量治理 电力能源管理 智能配电设备 机电传动自控 智慧数字电力 品牌战略授权
智能电容器

产品概述

ZHXK-ZC智能电容器应用于0.4KV电力系统中,是由智能测控单元、过零投切控制单元、智能保护单元、低压自愈式电力电容器组成一个独立完整的智能补偿单元。替代由智能无功控制器、投切开关、热继电器、低压电力电容器多种分散器件组装而成的低压自动无功补偿装置。具有补偿效果更好,体积更小,功耗更低,价格更廉,节约成本更多,使用更加灵活,维护更加方便,使用寿命更长,可靠性更高的特点,适应了现代智能电网对无功补偿的更高要求。产品广泛应用于居民小区配电系统;市政商业建筑;交通隧道配电系统;箱变、成套柜、户外配电箱等配电领域。

性能特点

智能测控:数据采集,快速实时采样,实现三相电流、三相电压、三相有功、无功、现在功率等电网参数的高精度测量、运算及诸波分析。

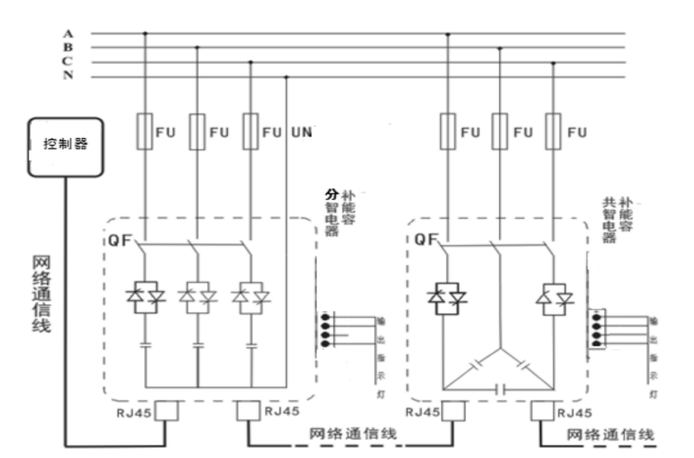
智能投切:真正的零投切,无需晶闸管辅助电路,本系统采用CPU处理过零信号后的投切动作,实现过零投切、无涌流、无电弧、响应快,提高了设备的可靠性和使用寿命。

智能组网:485通讯接口,内置 MODBUS-RTU协议;可实现远程监控。产品可多台联机使用时,自动产生主机从机,构成无功自动控制系统。

故障处理;个别从机出现故障时自动退出,不影响其他机器工作。主机故障时自动退出,网络内再自动产生新的主机,组成新的系统工作,智能化程度极高。

安全可靠:匹配高性能电力电容器,散热好、体积小、寿命长,从而保证了整机的安全性和可靠性。

节能降耗:采用模块化产品组装成的产品补偿装置,其体积有着明显的减小,即节能环保,又减少安装空间,接线简单,可以随时增加电容电容器的数量。

操作方便:采用液晶屏中文界面,实时显示当前电容器温度,电流电压及谐波参数,通过按键查询各种参数及设备运行状态,还可设置各类保护参数并存储,掉电效据不丢失。

方案原理

设计依据

GB/T 15576-2008《低压成套无功功率补偿装置》

GB/T 12747.1-2015《标称电压1KV及以下交流电力系统用自愈式并联电容器第1部分,总则一性能、试验和定额-安全要求一安装和运行导则》,

GB/T 29312-2012《低压无功功率补偿投切装置》

技术参数

工作电压

AC380V/220V士15%

工作频率

50Hz

容量

5~40kVar(超过40kvar需要特殊订制)

电压波形

正弦波,总畸变率≤5%

电容器投切时隔

>10S

功率消耗

<0.5W(切除电容时)、<2W(投入电容时)

保护功能

温度保护、缺相保护、过流保护、电压保护、电流保护、谐波保护

记忆功能

储存256条报警保护数据、投切次数记录

电压误差

≤0.5%

电流误差

≤1.0%

温度误差

±1℃

时间误差

±0.01s

运行时间衰减率

≤1%/年

投切衰减率

0.4%/年

应用环境

本产品工作场所海拔不超过2000米,环境温度-25℃ ~ +55℃,相对湿度:日平均不大于95%,月平均不大于90%;大气压力:79.5Kpa ~ 106KPa。

本产品运行场所应具备无有害气体、可燃气体、蒸汽等污染,无导电性或者爆炸性尘埃,运行场所应无经常性的剧烈机械振动。

本产品户内使用运行,如果在特殊情况下户外使用,需加装保护壳,并参考相关标准保证保护壳的防护等级。

本产品避免长期在潮湿环境中放置,如受潮或者凝露,为避免短路,切忌第一时间通电试验,需在专业工程师指导下采取正确方法措施后进行故障排除。


型号含义

外观结构

选型参考

产品型号

额定电压(V)

补偿方式

额定容量(kvar)

尺寸(mm)L×W×H

安装尺寸(L1*W1)

ZHXK-ZC-450-5+5-3

450

共补

5+5

380*80*260

360*53

ZHXK-ZC-450-10+10-3

450

共补

10+10

380*80*260

360*53

ZHXK-ZC-450-10+15-3

450

共补

10+15

380*80*260

360*53

ZHXK-ZC-450-10+20-3

450

共补

10+20

380*80*290

360*53

ZHXK-ZC-450-20+20-3

450

共补

20+20

380*80*310

360*53

ZHXK-ZC-450-25+25-3

450

共补

25+25

380*80*350

360*53

ZHXK-ZC-450-5-3N

250

分补

5

380*80*260

360*53

ZHXK-ZC-450-10-3N

250

分补

10

380*80*260

360*53

ZHXK-ZC-450-15-3M

250

分补

15

380*80*260

360*53

ZHXK-ZC-450-20-3N

250

分补

20

380*80*280

360*53

ZHXK-ZC-450-25-3N

250

分补

25

380*80*310

360*53

ZHXK-ZC-450-30-3N

250

分补

30

380*80*330

360*53

订货须知

电力系统图;

系统电压等级;

投切组合容量;

极相(三相/单相)

补偿方式(共补/分补/混合补偿);

外观型状(金属外壳/不锈钢外壳);

负载性质;

特殊要求注明;

©2024 版权所有 ylg060net永利娱高